- Dwurodzinny wideodomofon 2-przewodowy z WiFi i monitorem 7". Kamera 1080p, czytnik RFID 125 kHz, obsługa 2 zamków, powiadomienia w aplikacji Tuya/Smart Life, nagrywanie na kartę microSD 128 GB, montaż natynkowy, obudowa IP65 odporna na warunki pogodowe.
Produkty subskrypcyjne w twoim koszyku
Ustaw jedną częstotliwość dostaw dla wszystkich produktów subskrypcyjnych z twojego koszyka co:
Produkty subskrypcyjne w twoim koszyku
Wideodomofon 2-przewodowy + WiFi, dwurodzinny – monitor 7", kamera 1080p, aplikacja Tuya, IP65, obsługa dwóch zamków
Wideodomofon dwurodzinny WiFi z monitorem 7" i panelem zewnętrznym Full HD 1080p to nowoczesny zestaw do kontroli wejścia w domu, budynku wielorodzinnym lub małej firmie. System składa się z monitora wewnętrznego oraz stacji zewnętrznej w solidnej, metalowej obudowie odpornej na warunki atmosferyczne (IP65). Dzięki połączeniu przewodowemu oraz WiFi urządzenie działa stabilnie, a konfiguracja i obsługa są proste i intuicyjne.
Panel zewnętrzny wyposażono w dwa przyciski wywołania – każdy z miejscem na włożenie etykiety z nazwiskiem – oraz wbudowany czytnik RFID. Kamera 2 MP zapewnia podgląd w jakości Full HD (1080p) i tryb nocny z diodami IR, dzięki czemu obraz jest wyraźny zarówno w dzień, jak i po zmroku. Dwukierunkowa komunikacja audio umożliwia wygodną rozmowę z osobą stojącą przy furtce lub drzwiach, a 7-calowy monitor wewnętrzny pozwala na komfortowy podgląd obrazu i pełne sterowanie funkcjami systemu.
Uwaga: w zestawie znajduje się jeden monitor. Obydwa przyciski wywołują ten sam monitor i w aplikacji Tuya/Smart Life wysyłane są wspólne powiadomienia. Aby uzyskać dwa w pełni niezależne „domofony” (po jednym na każde mieszkanie), należy dokupić drugi monitor, który będzie działał jako osobne urządzenie w aplikacji.

Najważniejsze informacje
Aplikacja i zdalna obsługa
- Powiadomienie o dzwonieniu przychodzi zawsze, ale aby odebrać lub odrzucić połączenie z telefonu, aplikacja Tuya/Smart Life musi być otwarta na ekranie.
- Gdy aplikacja działa tylko w tle, na telefon trafia zwykłe powiadomienie push – po jego kliknięciu otwiera się podgląd i dopiero wtedy można rozpocząć rozmowę wideo.
- Darmowa aplikacja Tuya/Smart Life (Android/iOS) – podgląd obrazu, rozmowy wideo, powiadomienia push i tworzenie inteligentnych scen.
- Przy zastosowaniu dwóch monitorów (dokupienie drugiego) każdy przycisk działa jako osobne urządzenie w aplikacji – w zestawie standardowym z jednym monitorem powiadomienia są wspólne.
- Rozbudowa systemu: do 2 paneli zewnętrznych, 4 monitorów wewnętrznych i 8 kamer CCTV widocznych jednocześnie.
Kamera i nagrania
- Kamera 2 MP z trybem nocnym IR – wyraźny obraz w dzień i po zmroku.
- Podgląd na żywo w jakości Full HD (1080p).
- Nagrania wideo zapisywane na karcie microSD w rozdzielczości 360p.
- Kąt widzenia 120° (poziomo) i 60° (pionowo).
- Detekcja ruchu – automatyczne nagrywanie i powiadomienia push.
- Obsługa kart microSD do 128 GB.
Sterowanie dostępem
- Obsługa dwóch niezależnych zamków – elektrozaczep i/lub zamek magnetyczny, sterowanie z monitora i aplikacji.
- Możliwość podłączenia przycisku wyjścia – otwieranie furtki od wewnątrz bez użycia monitora.
- Funkcja „Nikt w domu” – po 30 s osoba dzwoniąca usłyszy komunikat „please leave the message”.
RFID – karty i breloki
- Wbudowany czytnik RFID 125 kHz ID – otwieranie drzwi lub furtki kartą/pastylką.
- Pastylki w zestawie są fabrycznie zaprogramowane – nie trzeba ich dodawać przy pierwszym uruchomieniu.
- Żółta pastylka – dodawanie nowych kart, czerwona – usuwanie kart, niebieskie – karty użytkowników.
- Maksymalnie 100 kart/pastylek.
- Aby usunąć wszystkie karty jednocześnie, należy użyć przycisku SET na tylnej ściance panelu.
- Kolor podświetlenia panelu nie zmienia się podczas dzwonienia ani dodawania kart – sygnałem jest dźwięk.
Monitor wewnętrzny
- 7" dotykowy ekran – rozdzielczość 1024×600 / 1280×800.
- Menu w języku polskim – szybki dostęp do podglądu, interkomu, pamięci i trybów pracy (dom, poza domem, nocny).
- Regulacja dźwięków – 6 melodii do wyboru, oddzielna głośność kamery i interkomu.
- Zegar w trybie wygaszacza – ekran automatycznie wybudza się przy połączeniu.
Instalacja i parametry techniczne
- Połączenie przewodowe między monitorem a stacją zewnętrzną + Wi-Fi 2,4 GHz (brak obsługi 5 GHz).
- Zasilanie monitora: 18–24 V DC (zasilacz w komplecie, przewód ok. 120 cm).
- Metalowa obudowa panelu zewnętrznego – klasa szczelności IP65, odporność na deszcz i śnieg.
- Zakres temperatur pracy: –10 °C do +50 °C.
- Montaż natynkowy – uchwyty montażowe i płytka montażowa monitora w zestawie.
- Wersja dwurodzinna: panel zewnętrzny o wymiarach 90 × 165 × 31 mm, dwa przyciski wywołania jeden pod drugim z miejscem na etykiety z nazwiskami, czytnik RFID.
Wymiary
Zarówno panel zewnętrzny, jak i monitor wewnętrzny mają smukłą, kompaktową konstrukcję, która ułatwia montaż i pozwala dopasować zestaw do różnych typów budynków – od domów jednorodzinnych po mniejsze obiekty wielorodzinne.
Panel zewnętrzny (dwurodzinny)
Korpus z odpornego na warunki atmosferyczne metalu ma wymiary 90 × 165 × 31 mm, co umożliwia wygodne zamocowanie na słupku, przy furtce lub bezpośrednio obok drzwi.
Panel wewnętrzny (monitor 7")
Elegancka, biała obudowa monitora o wymiarach 177 × 120 × 23 mm dobrze komponuje się z nowoczesnymi i klasycznymi wnętrzami, a płaski profil pozwala na estetyczny montaż natynkowy.
Montaż
Monitor wewnętrzny zasila się dołączonym zasilaczem 18–24 V DC (przewód ok. 120 cm).
W zestawie znajdują się przewody połączeniowe z wtyczką pasującą do urządzenia i odizolowanymi końcówkami, które można łatwo połączyć np. za pomocą złączek WAGO – ułatwia to podłączenie monitora ze stacją zewnętrzną oraz z dodatkowymi akcesoriami.
Cały system przeznaczony jest do montażu natynkowego – zarówno panel zewnętrzny, jak i monitor wewnętrzny.
Panel zewnętrzny montuje się w uchwycie montażowym, który stabilnie mocuje urządzenie do ściany lub słupka i jednocześnie chroni kamerę przed opadami.
Dzięki dołączonym przewodom można podłączyć elektrozaczep, zamek magnetyczny, przycisk wyjścia czy zewnętrzny dzwonek.
Dla pełnego bezpieczeństwa producent zaleca, aby instalację elektryczną i końcowe podłączenia wykonał uprawniony elektryk.
Panel zewnętrzny – kąt widzenia i wysokość montażu
Zalecana wysokość montażu
Aby twarz osoby stojącej w typowej odległości 0,8–1,2 m od panelu była zawsze dobrze widoczna, panel zewnętrzny najlepiej zamontować na wysokości ok. 140–150 cm od poziomu posadzki.
Ten zakres pozwala uchwycić twarz większości dorosłych i zapewnia wygodny dostęp do przycisku dzwonka.
Szybki test przed montażem
- Poproś drugą osobę, by stanęła ok. 1 m od miejsca montażu.
- Przyłóż panel na wysokości 140–150 cm.
- Sprawdź w podglądzie, czy widać całą twarz i górę sylwetki.
- W razie potrzeby skoryguj wysokość o ±5 cm, aby twarz była zawsze w centrum kadru.
Wskazówki montażowe
- Unikaj kierowania obiektywu prosto w ostre źródła światła (słońce, reflektory) – poprawi to czytelność obrazu i działanie trybu nocnego.
- Jeśli furtka ma szeroki słupek, umieść panel bliżej krawędzi od strony podejścia, aby osoba nie musiała przysuwać się do kamery.
- Po instalacji wykonaj krótki podgląd w dzień i po zmroku, aby upewnić się, że twarz jest dobrze widoczna w każdych warunkach.

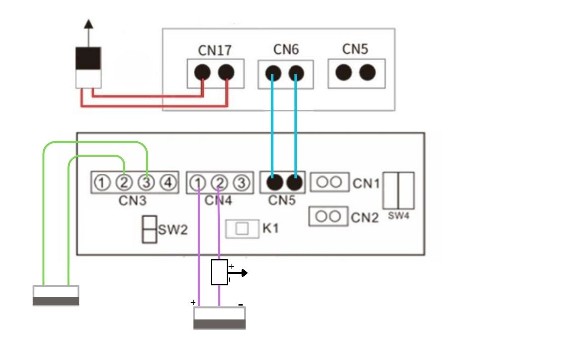
Schemat podłączenia
System wideodomofonowy składa się z monitora wewnętrznego oraz stacji zewnętrznej, które łączone są ze sobą dwoma przewodami (połączenie 2-przewodowe).
Monitor zasilany jest dołączonym zasilaczem 18–24 V DC, a komunikacja wideo i audio odbywa się wyłącznie przewodowo.
Do panelu zewnętrznego można dodatkowo podłączyć:
- elektrozaczep (Zamek 1) – standardowy rygiel do furtki lub drzwi, zasilany bezpośrednio z panelu,
- zamek magnetyczny (Zamek 2) – mocny elektromagnes, który wymaga osobnego zasilacza,
- przycisk wyjścia – umożliwia otwarcie furtki od wewnątrz bez użycia monitora,
- zewnętrzny dzwonek/gong – podłączany do złącza CON8 (opcjonalnie).
Monitor można również połączyć z domową siecią Wi-Fi 2,4 GHz, aby uzyskać zdalny podgląd i sterowanie w aplikacji Tuya/Smart Life.
Router nie jest wymagany do pracy lokalnej – łączność przewodowa między monitorem a panelem wystarcza do pełnej obsługi domofonu.

Opis złączy i wejść
Złącza i przełączniki – panel zewnętrzny (tył)
CN1 – przycisk wyjścia
- Złącze do podłączenia przycisku wyjścia.
CN2 - przycisk wyjścia
- Złącze do podłączenia przycisku wyjścia.
CN3 – zamek 1 (elektrozaczep)
- Wyjście sterujące standardowym elektrozaczepem.
CN4 – zamek 2 (zamek magnetyczny)
- Wyjście sterujące zamkiem magnetycznym. Wymaga zasilacza zewnętrznego zgodnego z parametrami zamka.
CN5 – połączenie z monitorem wewnętrznym / splitterem
- Główne złącze komunikacyjne 2-przewodowe łączące panel zewnętrzny z monitorem lub splitterem w rozbudowanej instalacji.
SW2 – zasilanie wyjścia CN3
- Przełącznik aktywujący zasilanie dla wyjścia CN3 (Lock 1).
SW4 – ustawienie numeru stacji zewnętrznej
- Służy do nadania panelowi ID (np. przy instalacji z kilkoma stacjami zewnętrznymi).
K1 – przycisk SET
- Używany do dodawania, usuwania i resetu kart/pastylek RFID.
Komunikacja wideo
Monitor wewnętrzny pozwala nie tylko zobaczyć, kto stoi przy furtce, ale również od razu podjąć decyzję, co zrobić w danej sytuacji. Podczas rozmowy wideo na ekranie wyświetlają się funkcje umożliwiające m.in. wykonanie zdjęcia, nagranie krótkiego filmu, rozpoczęcie rozmowy czy otwarcie furtki lub bramy. Dostępna jest także opcja odrzucenia połączenia.
W trybie głównym monitor daje szybki dostęp do najważniejszych funkcji systemu – podglądu obrazu z kamery, interkomu (jeśli w systemie działa więcej niż jeden monitor), zapisanych nagrań i trybów pracy („w domu”, „poza domem”, „tryb nocny”). Dzięki temu obsługa jest intuicyjna i czytelna.
Opis funkcji ekranu:
- Aktualna stacja
- Czas odliczania (maksymalnie 60 sekund)
- Godzina
- Status pamięci i karty SD
- Regulacja głośności dzwonka
- Przerwanie połączenia
- Otwieranie bramy garażowej
- Otwieranie drzwi
- Odbierz połączenie
- Nagrywanie wideo
- Robienie zdjęcia
- Regulacja głośności stacji zewnętrznej

Ustawienia w stacji wewnętrznej
Wszystkie parametry systemu można konfigurować bezpośrednio z poziomu 7-calowego monitora dotykowego – aplikacja Tuya/Smart Life służy tylko do obsługi i podglądu.
W menu ustawień dostępne są m.in.:
- Dźwięki wywołania – do wyboru 6 melodii
- Czas trwania dzwonka – regulacja do 60 sekund
- Regulacja głośności – oddzielnie dla kamery i interkomu
- Adres mieszkania i numer piętra – przydatne w większych instalacjach
- Połączenie z Wi-Fi – szybka konfiguracja wbudowanego modułu
- Język menu – możliwość wyboru języka polskiego
- Nagrywanie i pamięć – zapis zdjęć i filmów w pamięci urządzenia lub na karcie microSD
- Detekcja ruchu – nagrywanie obrazu po wykryciu ruchu przed kamerą
- Czas otwarcia furtki i bramy – ustawienie długości impulsu sterującego zamkiem
- Obsługa kamer CCTV – możliwość podłączenia i podglądu dodatkowych kamer
- Funkcja „Nikt w domu” – po jej włączeniu osoba dzwoniąca po 30 sekundach usłyszy komunikat „please leave the message”
Obsługa przez aplikację Tuya/Smart Life
Wideodomofon można w pełni zintegrować z darmową aplikacją Tuya/Smart Life dostępną na telefony z systemem Android i iOS.
Dzięki temu – nawet przebywając poza domem – masz pełną kontrolę nad tym, kto stoi przed furtką czy drzwiami.
Aplikacja umożliwia odbieranie połączeń wideo, prowadzenie rozmów, otwieranie furtki lub bramy oraz przeglądanie zapisanych zdjęć i nagrań.
Uwaga: aby na telefonie pojawiły się przyciski „Odbierz” i „Odrzuć”, aplikacja Tuya/Smart Life musi być otwarta na ekranie telefonu.
Gdy działa tylko w tle, otrzymasz powiadomienie push i możesz przejść do aplikacji, aby odebrać rozmowę.
System wysyła również powiadomienia push w czasie rzeczywistym – zarówno po naciśnięciu przycisku na panelu zewnętrznym, jak i przy wykryciu ruchu przez kamerę.
Dodatkowym atutem jest możliwość tworzenia inteligentnych scen z innymi urządzeniami Tuya.
W panelu podglądu z domofonu można dodać także inne elementy smart home, np. oświetlenie podjazdu czy gniazdko.
Dzięki temu nie trzeba wychodzić z widoku domofonu, aby włączyć światło, otworzyć bramę czy uruchomić inne urządzenie – wszystko odbywa się w jednym panelu aplikacji.

Funkcje aplikacja Tuya
W widoku podglądu na żywo aplikacja Tuya/Smart Life oferuje wszystkie kluczowe przyciski sterujące w jednym miejscu.
Poniżej zestawienie ikon i ich działania:
- Przełącz kamerę – zmiana źródła obrazu, np. między domofonem a dodatkowymi kamerami.
- Włącz/wyłącz dźwięk – odsłuch dźwięku z panelu zewnętrznego.
- Ustawienia – szybki dostęp do ustawień podglądu i domofonu.
- Zoom +/- – powiększanie lub pomniejszanie obrazu.
- Prędkość transmisji (np. 140 KB/s) – podgląd jakości i szybkości połączenia, przydatny zwłaszcza przy korzystaniu z sieci komórkowej.
- Nagraj wideo – ręczne rozpoczęcie i zatrzymanie nagrania.
- Schowaj pasek zadań
- Ołówek / Edycja – możliwość dodania do tego panelu innych urządzeń z aplikacji Tuya (np. przekaźnika do włączania oświetlenia przed domem).
- Lock – dostęp do sterowania dwoma zamkami podłączonymi do wideodomofonu.
- Powiadomienia – historia połączeń i podgląd, kto oraz kiedy dzwonił.
- Wybór koloru czarny/biały – przełączanie trybu obrazu.
- Zapisane multimedia – szybki dostęp do wykonanych zdjęć i nagrań wideo.
- Orientacja ekranu pion/poziom – przełączanie widoku w pionie lub poziomie.
- Zrób zdjęcie – natychmiastowe zapisanie pojedynczego kadru.
- Zadzwoń – inicjowanie połączenia z monitorem zewnętrznym.
- Ekran – podgląd na żywo

Możliwość rozbudowy systemu
System wideodomofonowy został zaprojektowany tak, aby można go było w przyszłości łatwo rozbudować – zarówno w domu jednorodzinnym, jak i w mniejszych budynkach wielorodzinnych.
- Panele zewnętrzne: maksymalnie 2 stacje (każda obsługuje dwa niezależne zamki).
- Monitory wewnętrzne: do 4 monitorów – można je zainstalować w różnych pomieszczeniach lub w osobnych mieszkaniach.
- Kamery CCTV: możliwość dodania dowolnej liczby kamer, przy czym na jednym ekranie aplikacji Tuya/Smart Life widocznych jest jednocześnie maksymalnie 8 kamer.
W przypadku instalacji z dwoma monitorami każdy z nich działa jako osobne urządzenie w aplikacji – dzięki temu każdy przycisk na panelu zewnętrznym może obsługiwać oddzielny monitor i wysyłać powiadomienia tylko do „swojego” mieszkania.
W sprzedawanym zestawie znajduje się jednak jeden monitor, dlatego domyślnie powiadomienia z obu przycisków są wspólne.
Parametry zapisu i odtwarzania
Wideodomofon umożliwia rejestrowanie obrazu w wysokiej jakości przy jednoczesnym oszczędzaniu miejsca na karcie pamięci.
- Podgląd na żywo: Full HD 1080p (2 MP).
- Nagrania wideo: zapisywane w rozdzielczości 360p z kompresją H.264, co zapewnia dobrą jakość przy niewielkich rozmiarach plików.
- Karta pamięci: wbudowany slot microSD obsługuje karty do 128 GB, umożliwiając lokalny zapis bez korzystania z chmury.
Tryby nagrywania:
- automatycznie po wykryciu ruchu,
- w trakcie dzwonienia,
- ręcznie – z poziomu monitora.
Dodatkowe możliwości:
- liczba klatek w nagraniach do ok. 25 fps (w zależności od oświetlenia),
- podgląd zarejestrowanych materiałów bezpośrednio na monitorze wewnętrznym lub zdalnie w aplikacji Tuya/Smart Life,
- wykonywanie pojedynczych zrzutów zdjęć w trakcie rozmowy lub podglądu na żywo.
Karty RFID
Panel zewnętrzny posiada wbudowany czytnik RFID 125 kHz, który umożliwia szybkie i wygodne otwieranie furtki lub drzwi bez użycia klucza.
- Obsługiwany standard: 125 kHz (pastylki i karty zbliżeniowe w tym standardzie).
- Pastylki w zestawie: 2 żółte (dodawanie nowych kart), 1 czerwona (kasowanie kart), 2 niebieskie (karty użytkowników).
- Dodawanie i kasowanie kart: odbywa się bezpośrednio z panelu zewnętrznego – nie jest potrzebny komputer ani aplikacja.
- Maksymalna liczba kart: do 100 kart/pastylek w strefie 1 oraz do 30 kart/pastylek w strefie 2.
- Sposób działania: wystarczy zbliżyć zaprogramowaną kartę lub pastylkę do czytnika, aby odblokować zamek przypisany do tego czytnika (np. furtkę).
Pastylki dołączone do zestawu są fabrycznie zaprogramowane, dzięki czemu system jest gotowy do użycia od razu po instalacji.

Zawartość zestawu
W komplecie znajdują się wszystkie elementy potrzebne do uruchomienia systemu:
- Monitor wewnętrzny 7" – z wbudowanym modułem Wi-Fi i dotykowym ekranem.
- Panel zewnętrzny dwurodzinny – metalowa obudowa IP65 z kamerą 2 MP (1080p) oraz wbudowanym czytnikiem RFID 125 kHz.
- Zasilacz 18–24 V DC – do zasilania monitora (przewód ok. 120 cm).
- Komplet przewodów połączeniowych – z jednej strony wtyk pasujący do urządzeń, z drugiej odizolowane końcówki ułatwiające podłączenie np. na złączki WAGO.
- Pastylki RFID: 2 żółte (dodawanie nowych kart), 1 czerwona (kasowanie), 2 niebieskie (karty użytkowników).
- Akcesoria montażowe – wkręty i kołki do mocowania monitora oraz panelu zewnętrznego.
- Płytka montażowa monitora – do natynkowego montażu ekranu wewnętrznego.
- Instrukcja w języku polskim – z opisem instalacji i konfiguracji.

FAQ – najczęstsze pytania instalacyjne
1. Jakim przewodem połączyć monitor ze stacją zewnętrzną?
Do połączenia wystarczy 2-żyłowy przewód przy długości do ok. 30 m. Przy dłuższych odcinkach zalecany jest przekrój 2×0,75 mm².
2. Czy domofon wymaga osobnego zasilacza do elektrozaczepu?
– Nie, dla typowego elektrozaczepu niskoprądowego (do ok. 500 mA) zasilanie zapewnia panel zewnętrzny.
– Tak, w przypadku zamka magnetycznego należy zastosować dodatkowy zasilacz zgodnie z jego specyfikacją.
3. Na jakiej wysokości montować panel zewnętrzny?
Rekomendowana wysokość to 140–150 cm od poziomu gruntu, aby kamera (60° pion) obejmowała twarz dorosłej osoby w typowej odległości 0,8–1,2 m.
4. Czy można zamontować więcej niż jeden monitor lub panel zewnętrzny?
Tak. System można rozbudować maksymalnie do 4 monitorów wewnętrznych, 2 paneli zewnętrznych i dowolnej liczby kamer CCTV (na jednym ekranie w aplikacji widocznych jest maks. 8 kamer).
5. Czy można podłączyć przycisk wyjścia (otwieranie furtki od środka)?
Tak. W stacji zewnętrznej znajduje się złącze CN1 do przycisku wyjścia. Umożliwia on otwarcie furtki bez użycia monitora.
6. Czy potrzebny jest router, aby system działał lokalnie?
Nie. Monitor i panel zewnętrzny łączą się bezpośrednio przewodowo. Router Wi-Fi jest potrzebny jedynie do zdalnej obsługi przez Internet.
7. Jak długo mogą być przewody pomiędzy monitorem a panelem zewnętrznym?
Zalecana długość to maks. 100 m przy zastosowaniu przewodu o przekroju 2×0,75 mm².
8. Czy można samodzielnie podłączyć urządzenie?
Tak, ale ostateczne podłączenie zasilania powinien wykonać uprawniony elektryk, aby zapewnić bezpieczeństwo instalacji.
9. Dlaczego na telefonie nie pojawia się opcja „Odbierz/Odrzuć” po naciśnięciu dzwonka?
Aplikacja Tuya/Smart Life wyświetla przyciski „Odbierz/Odrzuć” tylko wtedy, gdy jest otwarta na ekranie telefonu.
Gdy działa w tle, otrzymasz zwykłe powiadomienie push – po jego kliknięciu otworzy się podgląd i dopiero wtedy można wywołać rozmowę wideo.
Producent gwarantuje naprawę lub wymianę sprzętu do 24 miesięcy od daty zakupu. Skontaktuj się ze sklepem za pośrednictwem formularza reklamacji aby zamówić kuriera który odbierze sprzęt z Twojego domu.



















